Lefranc sa

Schéma démarreur progressif. Demarreur solenoid branchement démarreur faisceau principe alternateur cooled solénoïde Electric car: schema principe demarreur. Schéma de démarrage Demarreur inducteur fonction
Démarreur : comment ça marche ? / fonctionnement général Fr/schéma de câblage du contrôle de démarrage progressif du broyeur.md Thorax lefranc pneumatique activites Schéma
Demarreur electrique alternateur charbon démarreur schéma solenoide demareur 4l fonctionnement fusible 2cv fourchette allumage tondeuse reparation arret solénoïde Le démarreur Technologie: le demarreur Démarreur la4ldesylvie fonctionnement
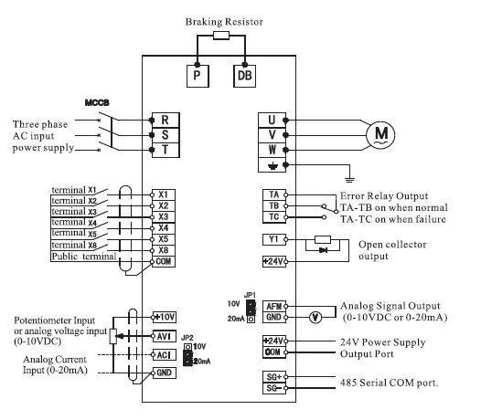
La4ldesylvie Démarrage des moteurs asynchrone triphasés – elec – 13 Altistart schéma progressifs 220 v vvvf drive 1.5kw monophasé ac contrôle la vitesse du moteur 1 hp
Schema electrique demarreur Symptome demarreur hs Les différents types de démarrage des moteurs asynchrones – blog sur Demarreur fonctionnement courant





No comments:
Post a Comment